首页
乐竞平台,乐竞(中国)一站式服务平台
营销体系
体系认证
乐竞平台,乐竞(中国)一站式服务平台
样本下载
首页
乐竞平台,乐竞(中国)一站式服务平台
乐竞平台,乐竞(中国)一站式服务平台
董事长致辞
企业名来历
发展历程
企业战略
企业文化
企业荣誉
员工风采
生产基地
营销体系
服务承诺
行业推荐
体系认证
测试中心站
证书集
ISO9001
ISO14001
OHSAS18001
乐竞平台,乐竞(中国)一站式服务平台
联系电话
人才招聘
公告栏
样本下载
控制电器
配电电器
智能仪表
成套装置
英文站
首页
>>
产品中心
>>
控制电器
>>
接触器
>>
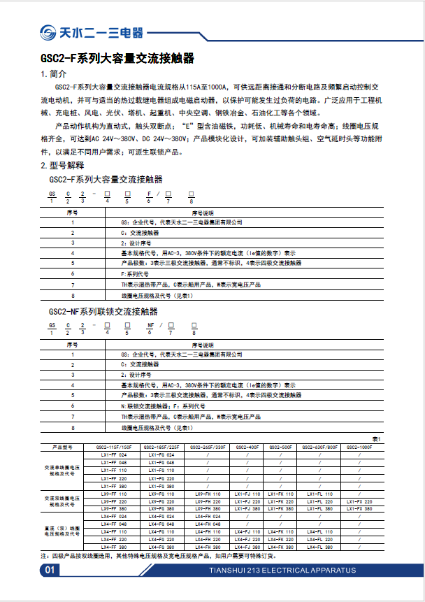
GSC2-F 系列4极交流接触器
>>GSC2-2254F 4P交流接触器
产品中心
控制电器
接触器
GSC1系列3极交流接触器
GSC1系列4极交流接触器
GSC1-Z系列3极直流操作接触器
GSC1-Z系列4极直流操作接触器
GSC1-DT系列静音交流接触器
GSN1系列4P联锁交流接触器GSN1系列4P联锁交流接触器
GSC1-DF/DFJ系列封星交流接触器
GSC1-FC系列防尘交流接触器
GSN1系列3P联锁交流接触器
GSC1-30S双极交流接触器
GSC1-Kd系列切换电容器接触器
GSF5系列家用交流接触器
GSC2系列3极交流接触器
GSC2-N系列3极联锁接触器
GSC2-F 系列3极交流接触器
GSZ4系列双极直流接触器
GSC4系列交流接触器
GSC2-F 系列4极交流接触器
继电器
中间继电器
GSR1系列热继电器
GSR1-F系热继电器
JZC3系列接触器式继电器
接触器及中间继电器附件
SK4-d空气延时头
F3-X系列辅助触头
F3-d系列辅助触头
F3-d1系列辅助触头
新能源电器
配电电器
起动器
保护电器
智能仪表
主令电器
成套装置
GSC1-DT系列静音交流接触器
GSC2-2254F 4P交流接触器
商品说明
相关商品
GSC2-8004F 4P交流接触器
GSC2-6304F 4P交流接触器
GSC2-5004F 4P交流接触器
GSC2-4004F 4P交流接触器
GSC4-25DH交流接触器
GSC2-3304F 4P交流接触器
GSC2-2654F 4P交流接触器
GSC2-2254F 4P交流接触器
GSC2-1854F 4P交流接触器
GSC2-1504F 4P 交流接触器
GSC2-1154F 4P交流接触器
GSC4-250交流接触器
电话直呼
0938-8362888
15374486213
15374489213
15374488213
微信公众号
发送邮件
企业位置
新利·体育
|
乐竞平台
|
乐竞电竞(集团)有限公司
|
UWIN电竞
|
易游电竞
|
开运电竞
|
万象城平台
|
万象城平台
|
VKGAME到底靠谱吗?说说我的亲身经历和避坑指南
|